Прайс лист скачать
Изоляторы такелажные
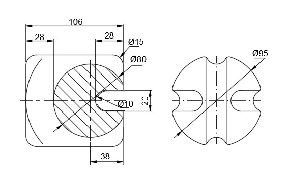
Изолятор такелажный ИТ-70 УХЛ1
Изоляторы опорные внутренней установки (3 - 6 кВ)

Изолятор такелажный ИТ-70 УХЛ1

Цена: 250.00 руб. +НДС
Технические данные:
ГОСТ:Р 5862-79
Минимально разрушающая сила на сжатие 70 кН
Минимальный диаметр каната:12,5 мм
Климатическое исполнение: УХЛ
Категория размещения:1
Масса:1,3 кг