Прайс лист
скачать
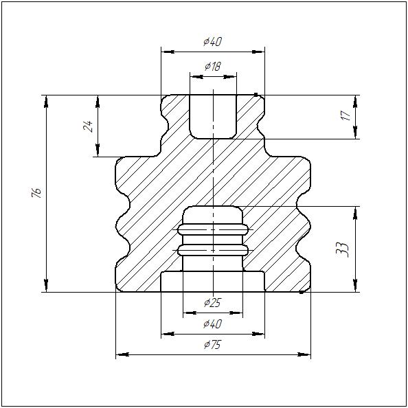
Изоляторы опорные внутренней установки (3 - 6 кВ)
Опорный изолятор 55
Цена: 115.00 руб. +НДС
Технические данные:
| ГОСТ: | Р 5862-79 |
| Номинальное напряжение: | 3 кВ |
| Климатическое исполнение: | У |
| Категория размещения: | 2 |
| Масса: | 0,56 кг |