Прайс лист скачать
Изоляторы опорные внутренней установки (1-3кв)
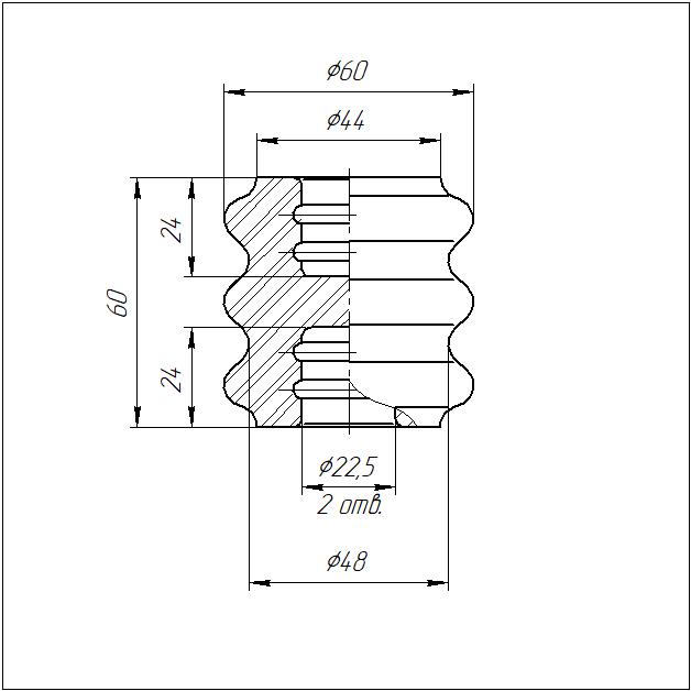
Изолятор опорный СА-3 У3 неармированный
Изоляторы опорные внутренней установки (3 - 6 кВ)

Изолятор опорный СА-3 У3 неармированный

Цена: 105.00 руб. +НДС
Технические данные:
ГОСТ:Р 52034-2023
Номинальное напряжение:3 кВ
Климатическое исполнение: У
Категория размещения:3
Масса:0,3 кг