Прайс лист
скачать
Изоляторы опорные внутренней установки (3 - 6 кВ)
Изолятор опорный ИО-1-2,5 У3
Цена: 231.00 руб. +НДС
Технические данные:
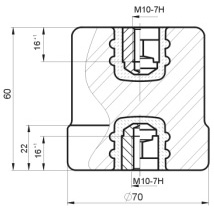
| ГОСТ: | Р 52034-2023 |
| Установочные размеры, верх: | гайка М10 |
| Установочные размеры, низ: | гайка М10 |
| Номинальное напряжение: | 1 кВ |
| Климатическое исполнение: | У |
| Категория размещения: | 3 |
| Масса: | 0,5 кг |